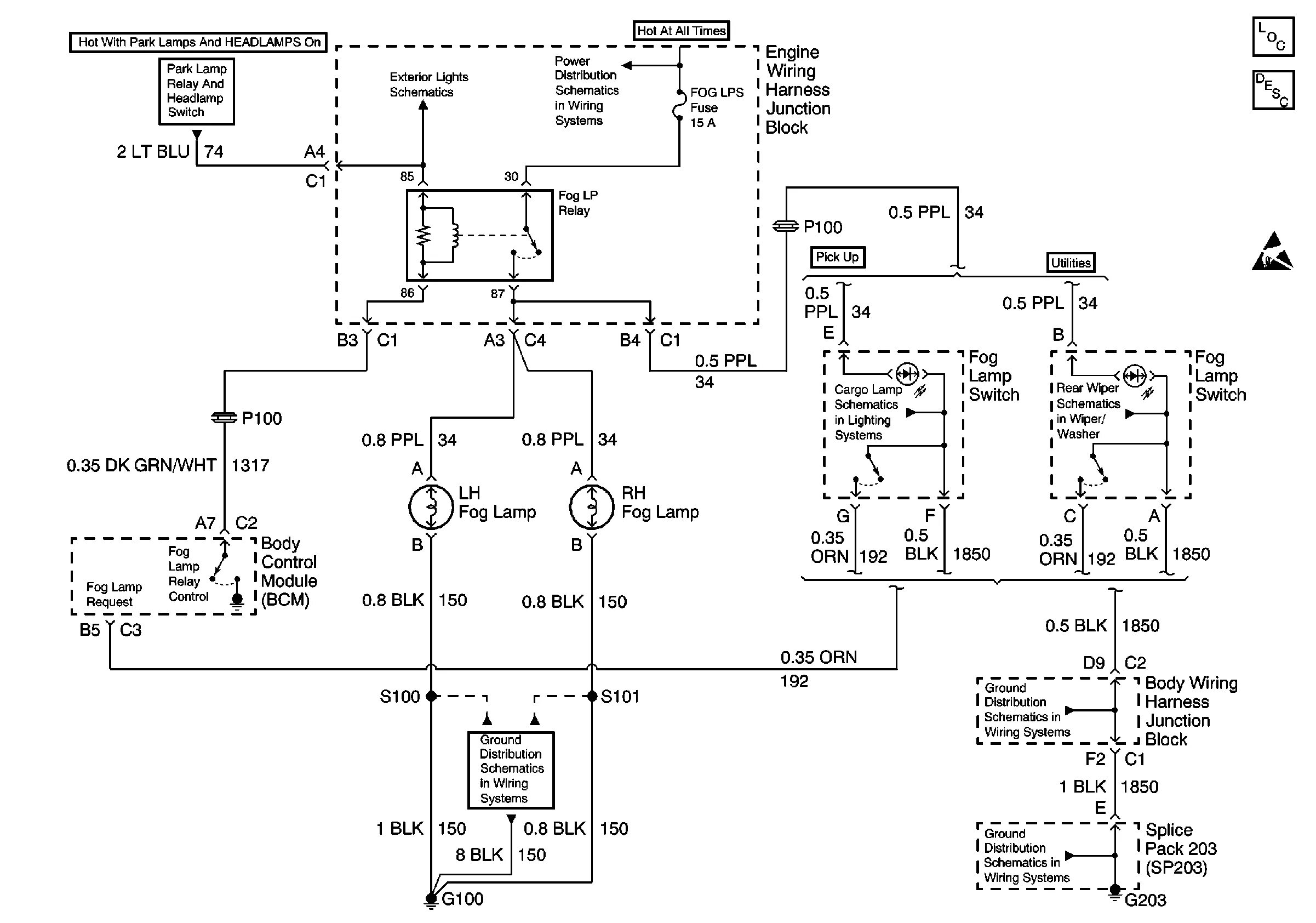
Fog relay