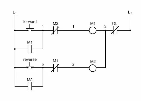
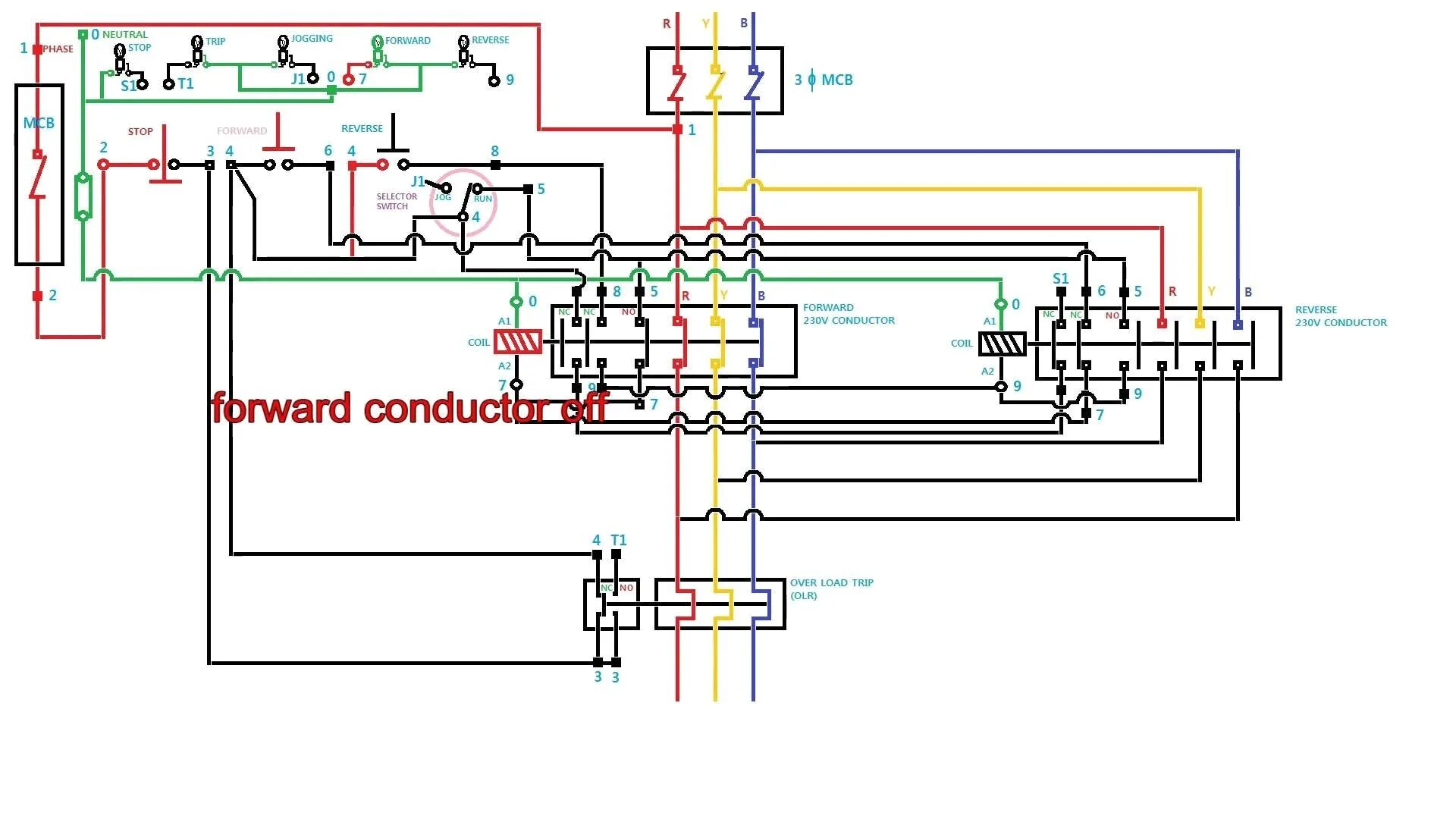
Forward reverse