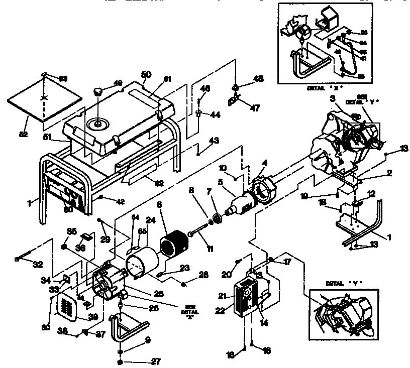
Full generator