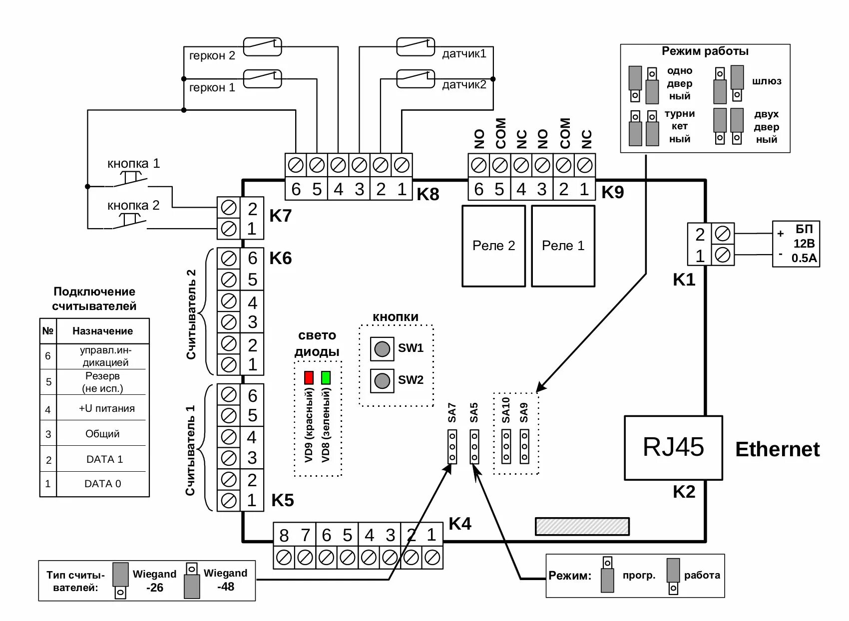
Gate 8000 ethernet