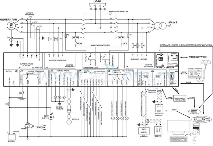
Gc 315