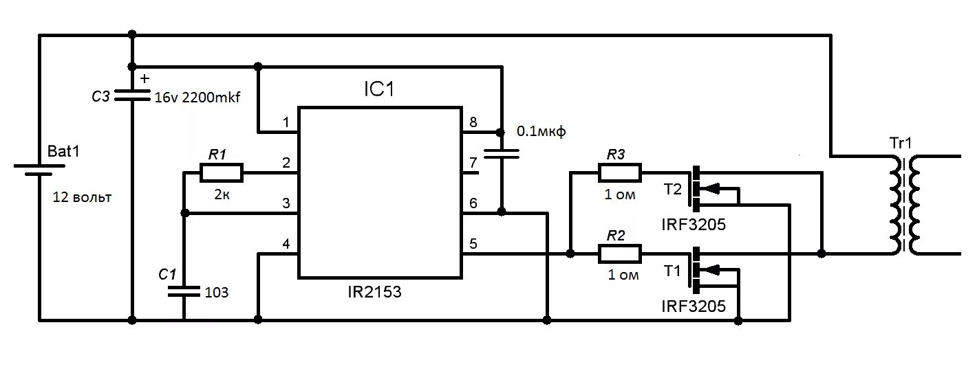
Генератор 20 вольт