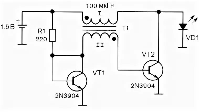
Генератор 3 вольт