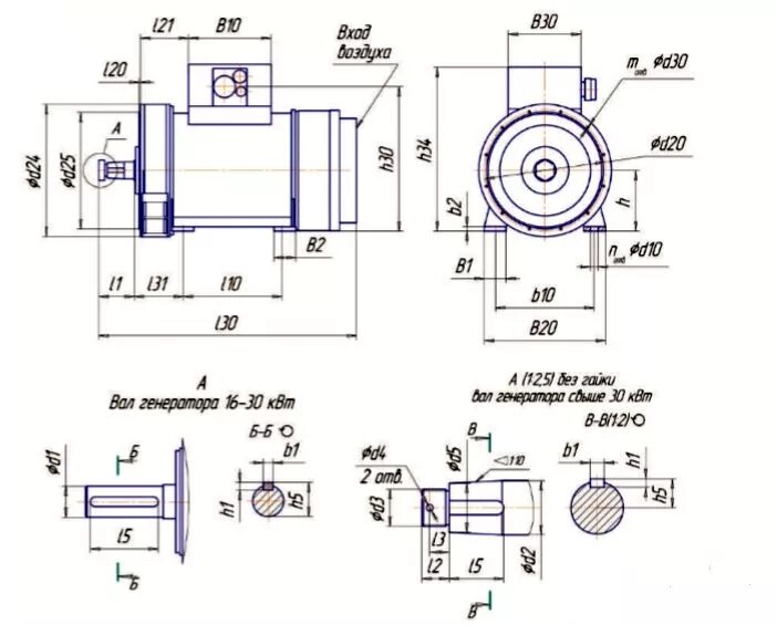
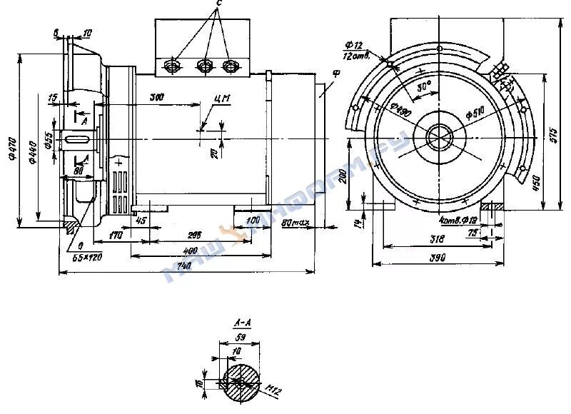
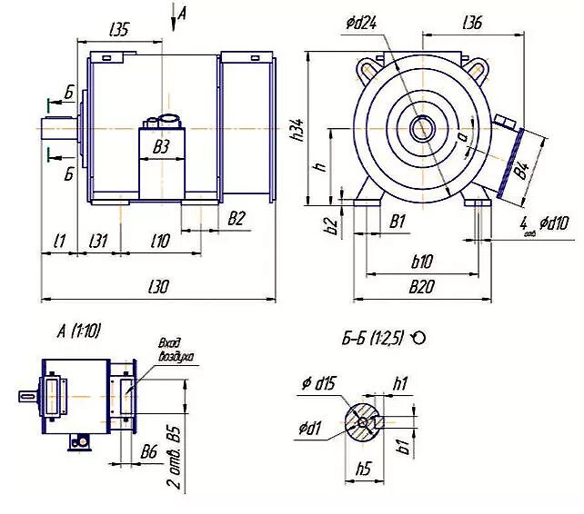
Генератор бг