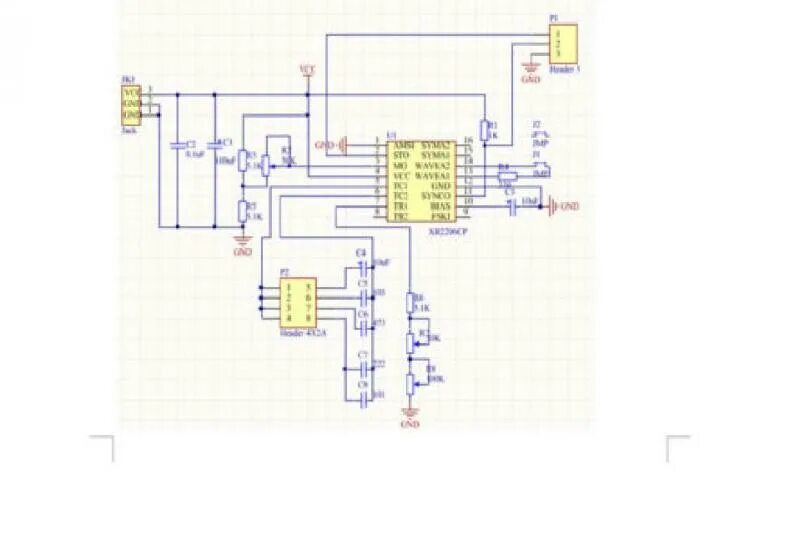
Генератор частоты 1 гц