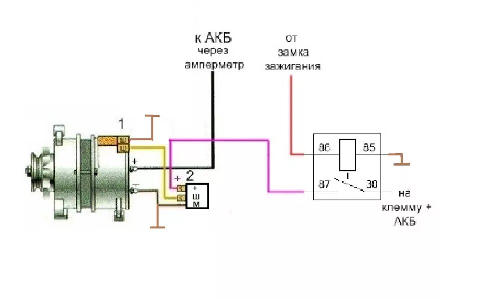
Генератор через реле