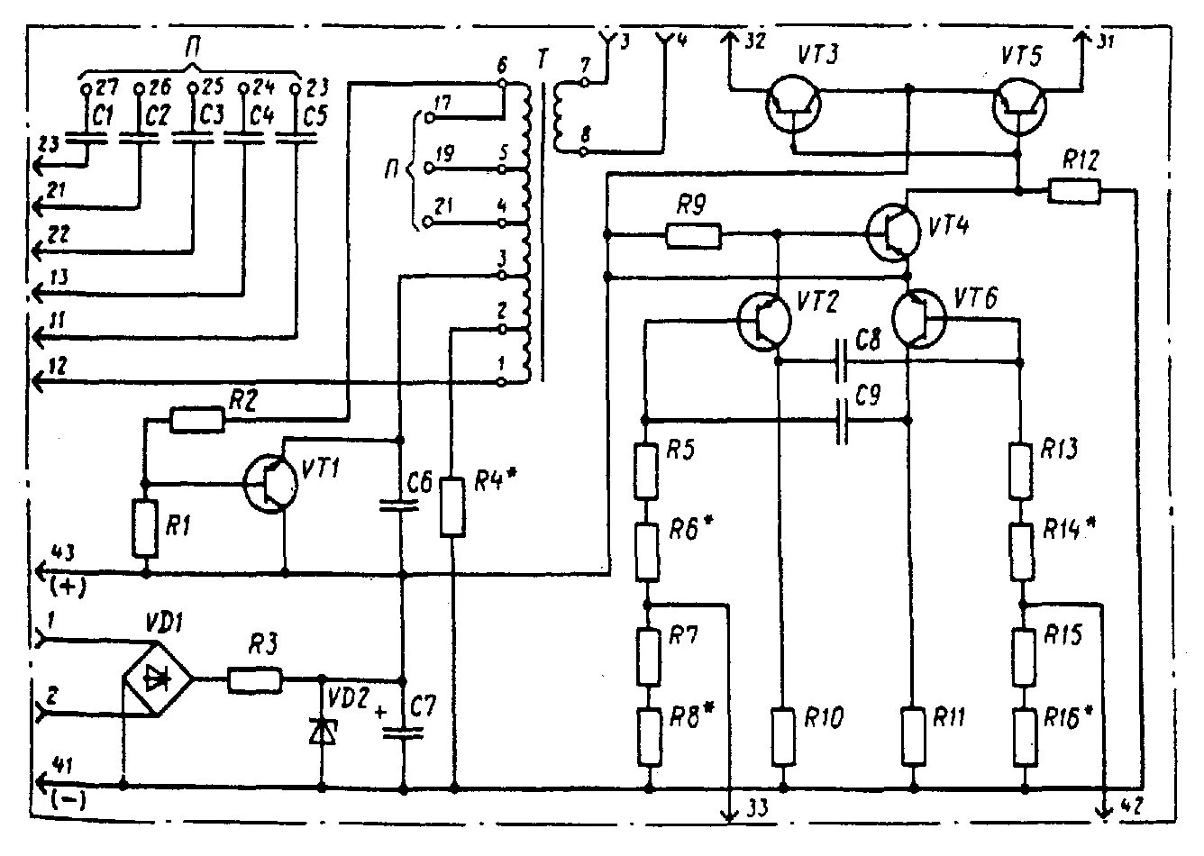
Генератор г3 схема