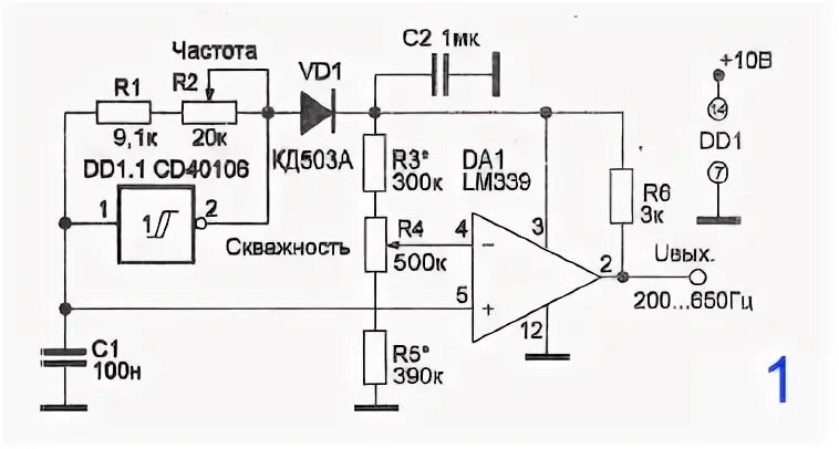
Генератор импульсов регулировка частоты