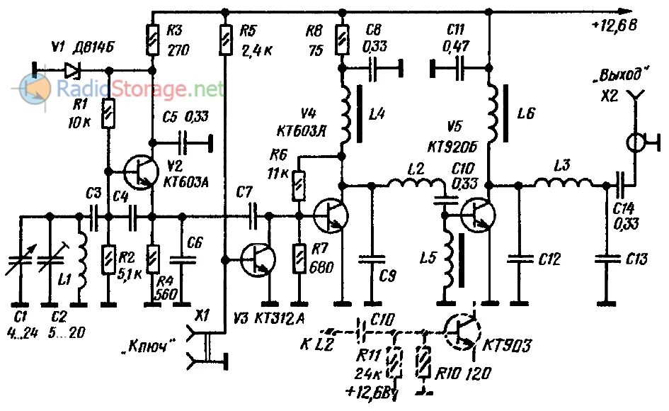
Генератор на 3 мгц