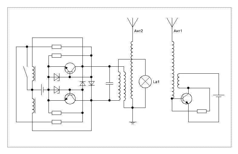
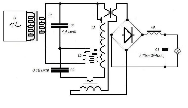
Генератор резонанса