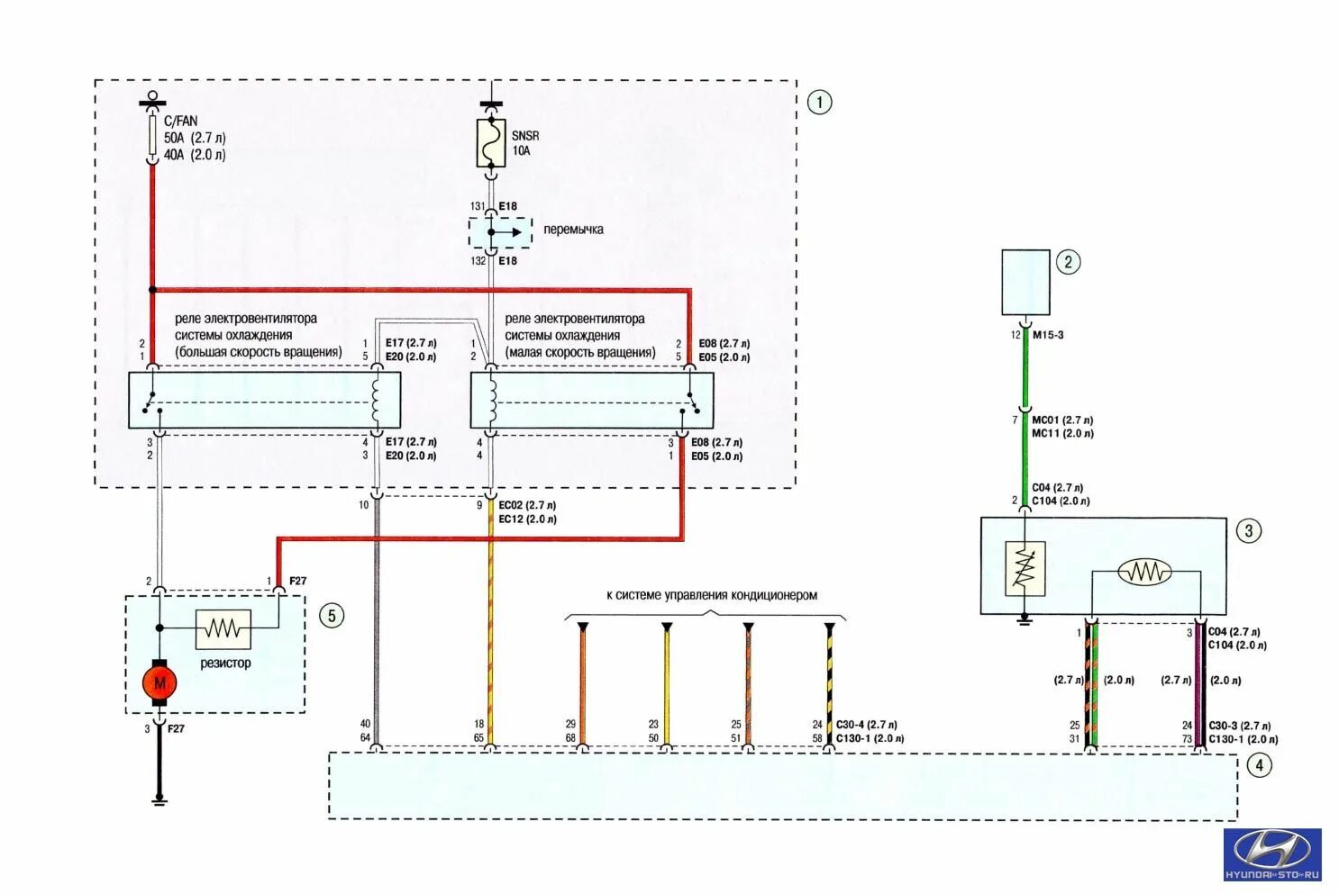
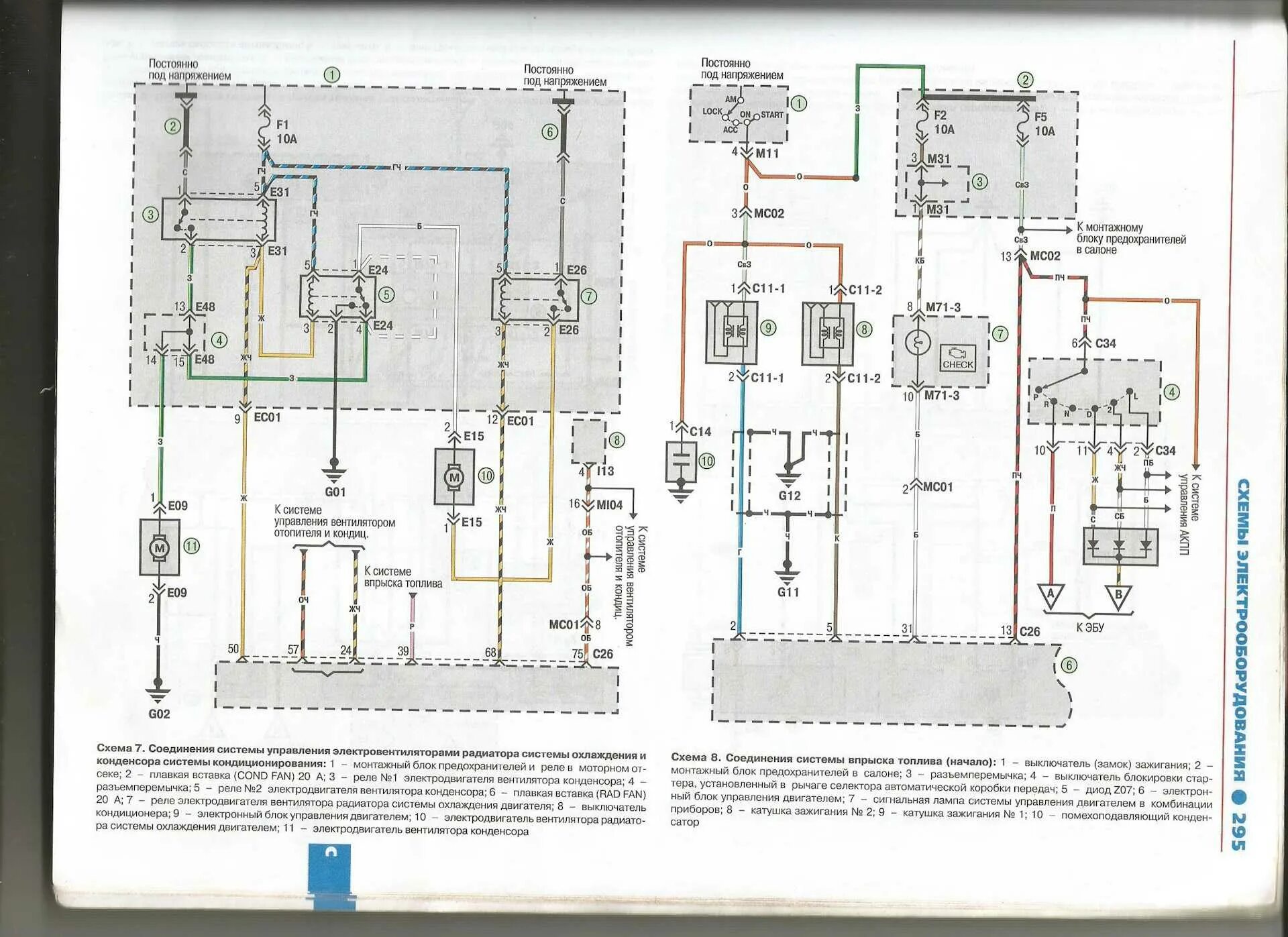
Гетц включается вентилятор