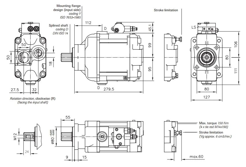
Гидромотор регулируемый