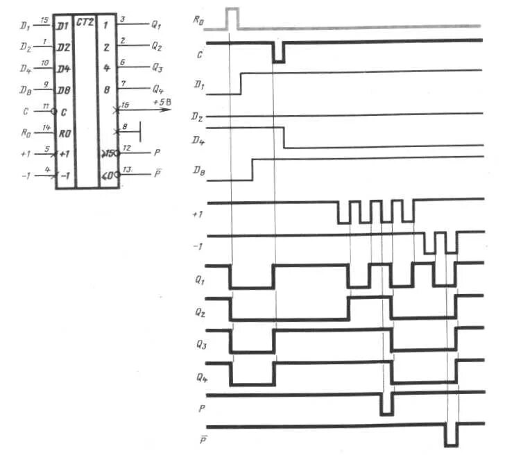
Глава 2 ие