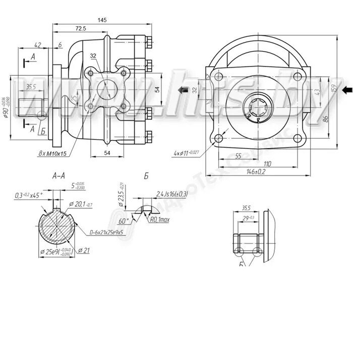
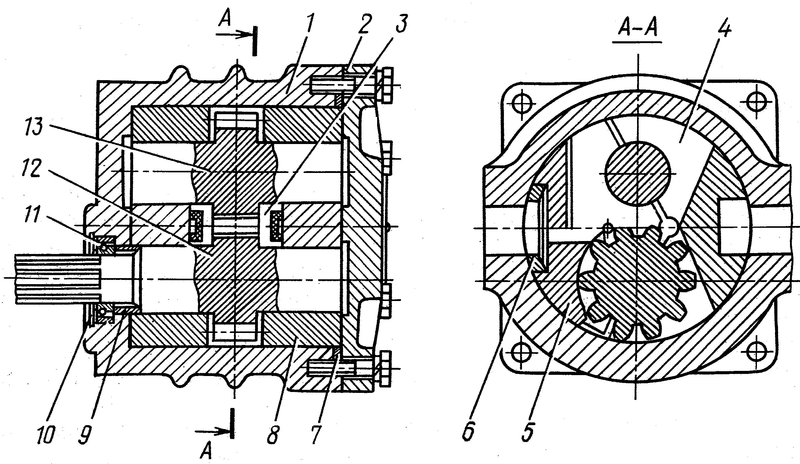
Гмш