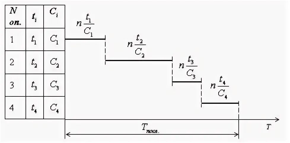
График движения деталей