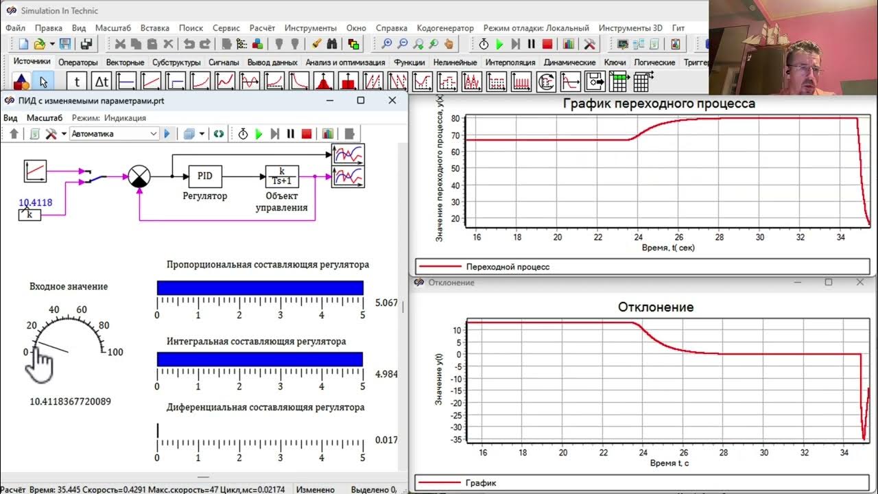
Графики simintech