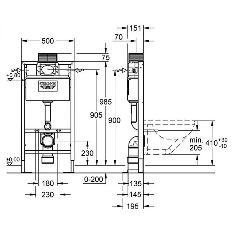
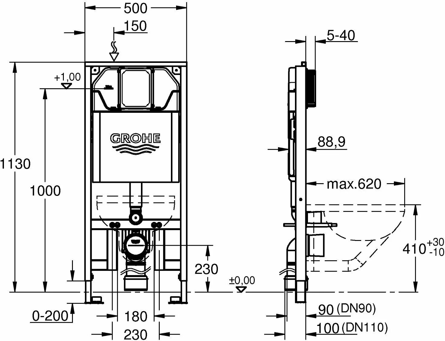
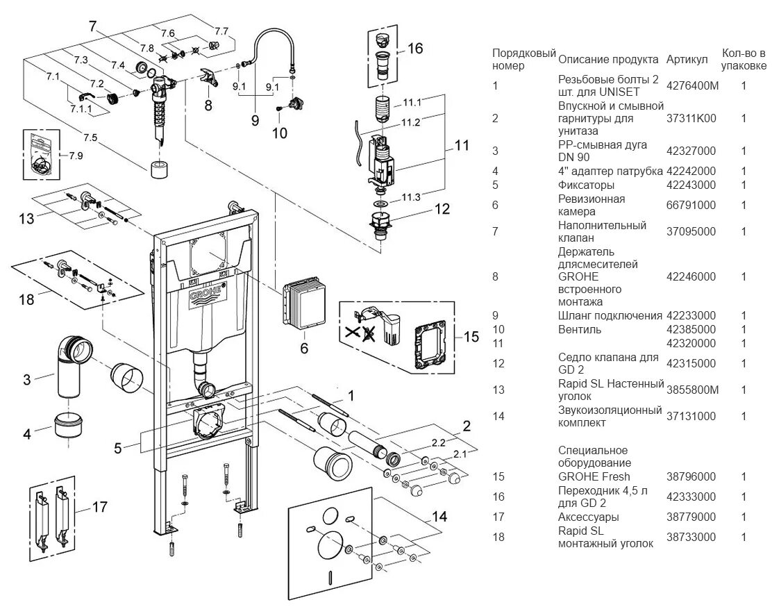
Grohe rapid установка