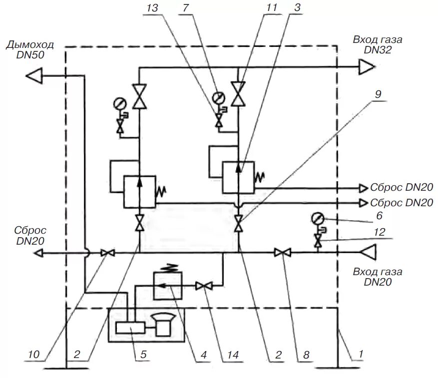
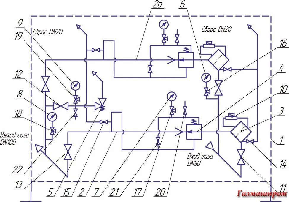
Грп 10