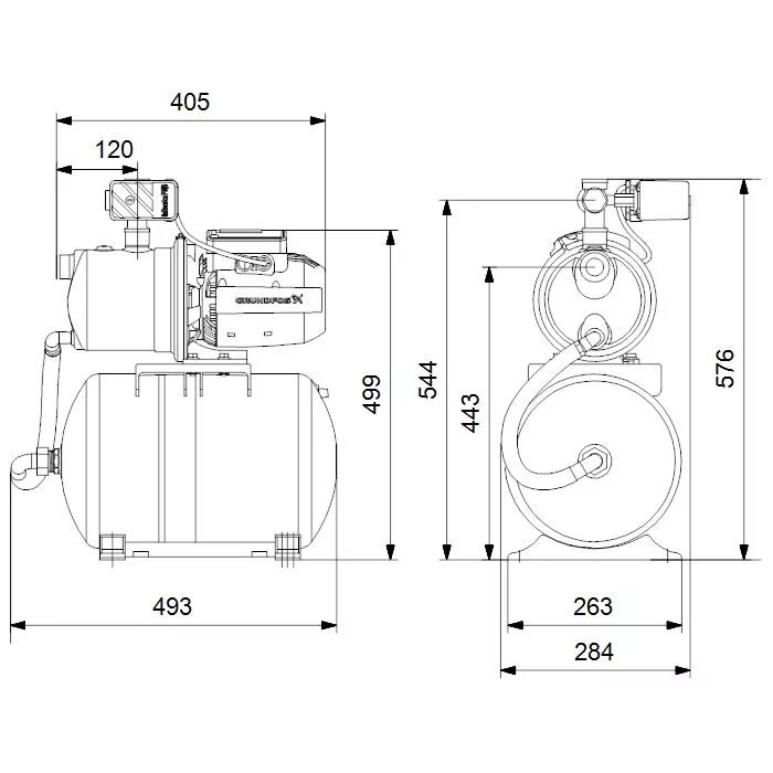
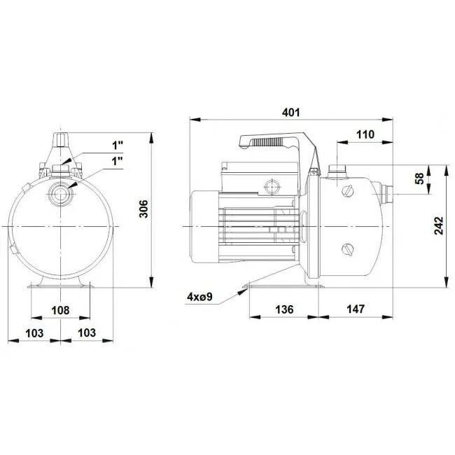
Grundfos jp5