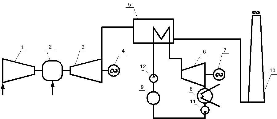
Гту с ку