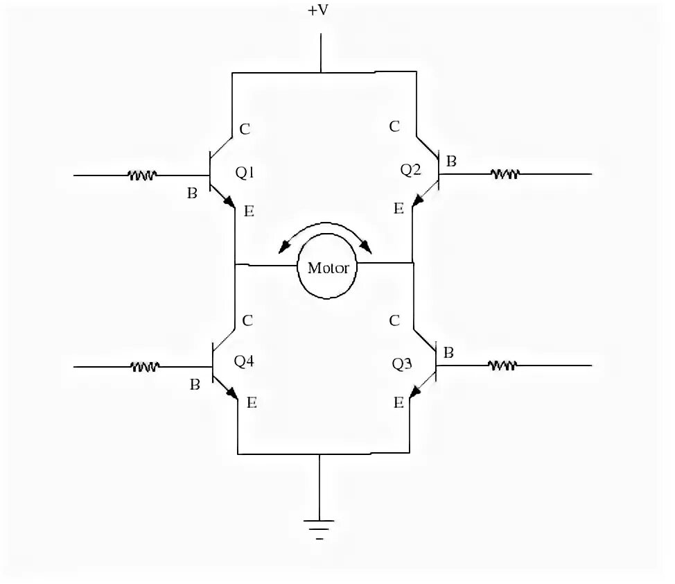
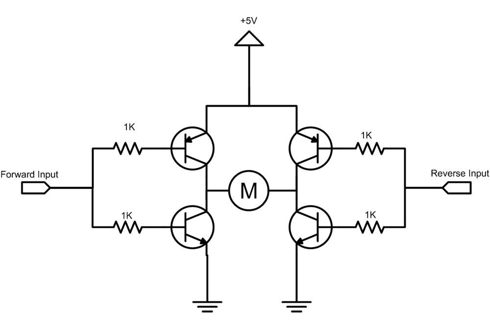
H мост схема