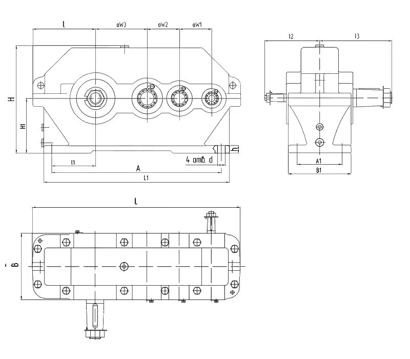
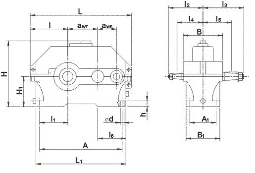
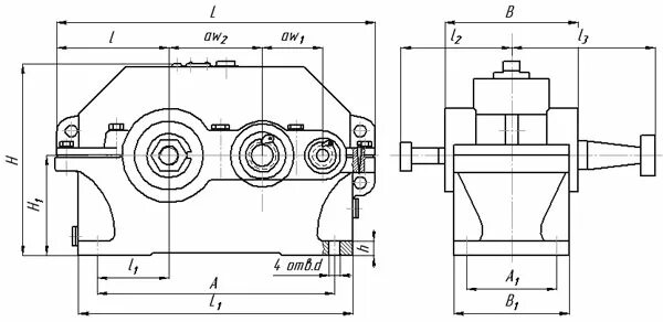
H1 редуктор