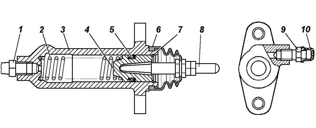
Ход рабочего цилиндра сцепления