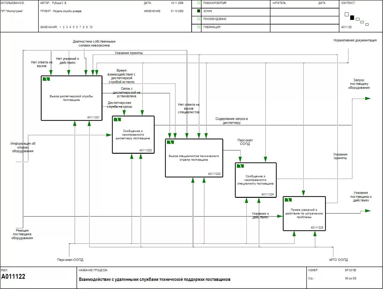
Idef0 управление