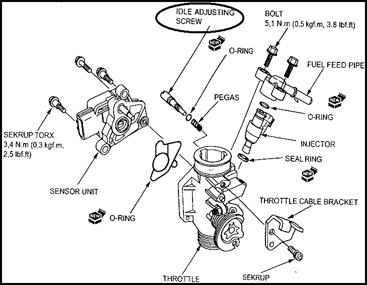
Idle throttle