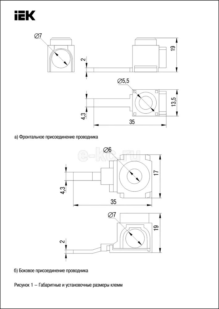
Iek квм