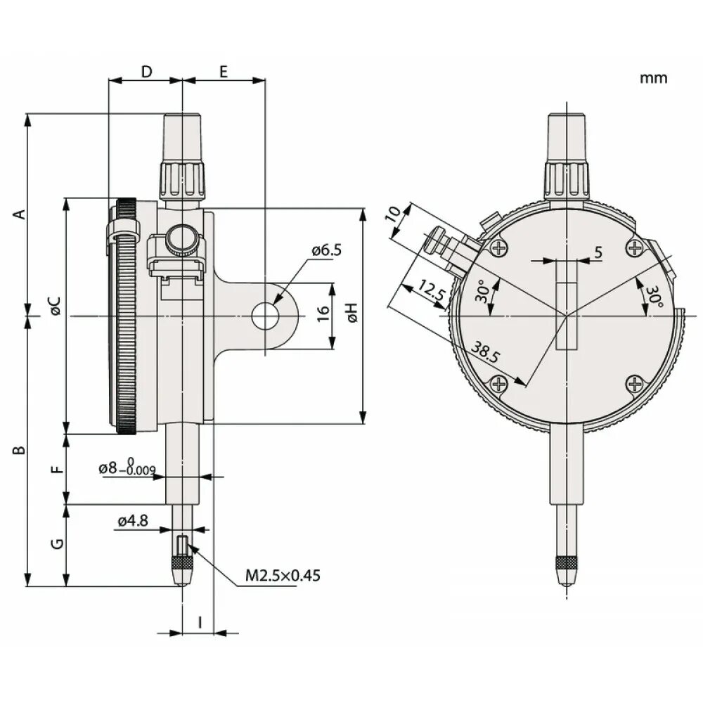
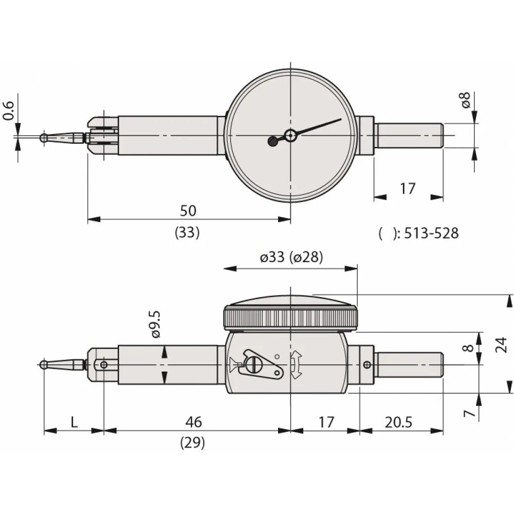
Индикатор размеры