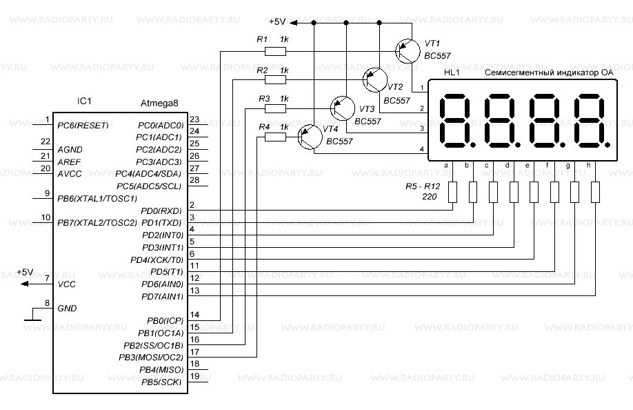
Индикаторы c