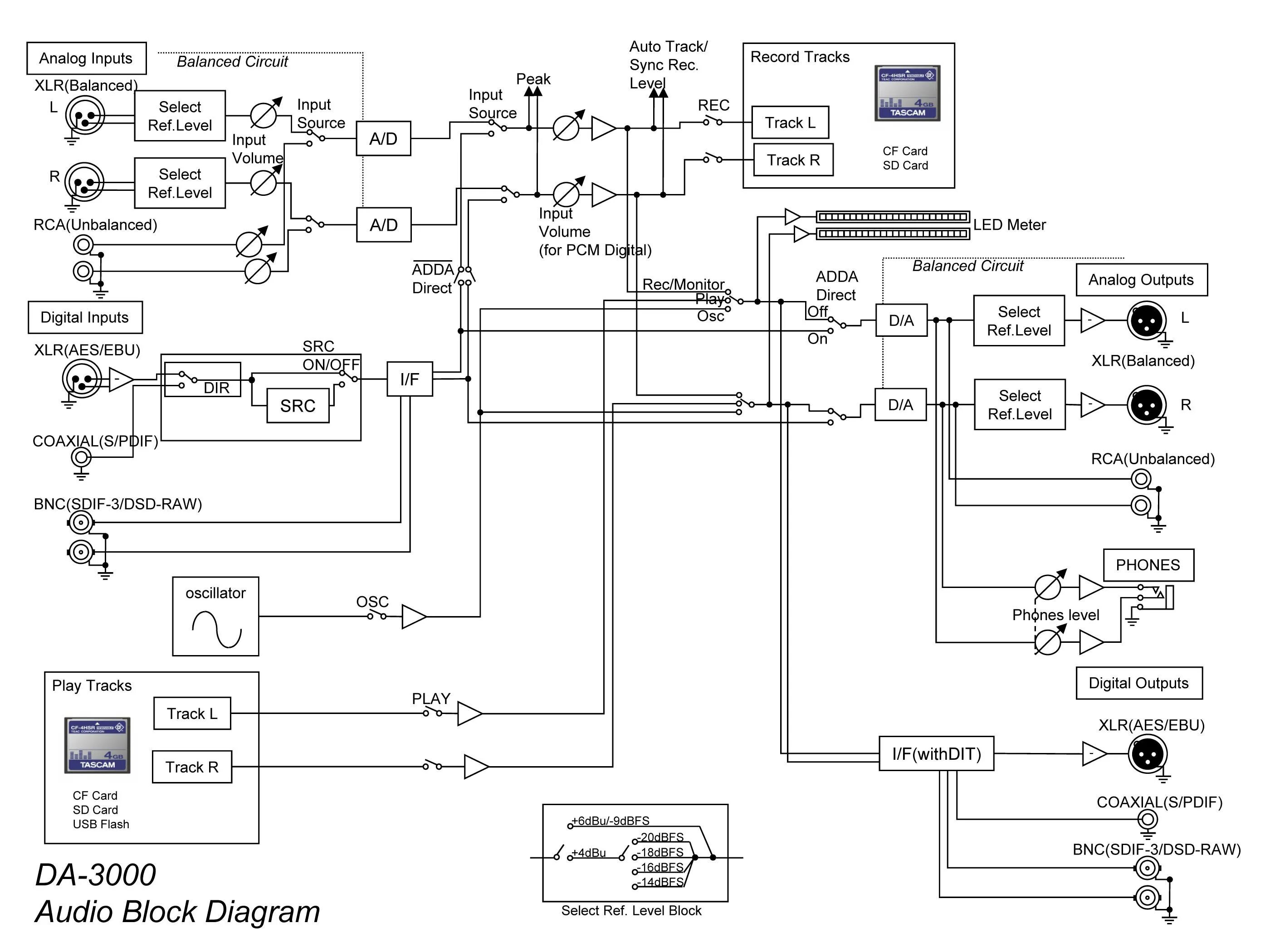
Input ref