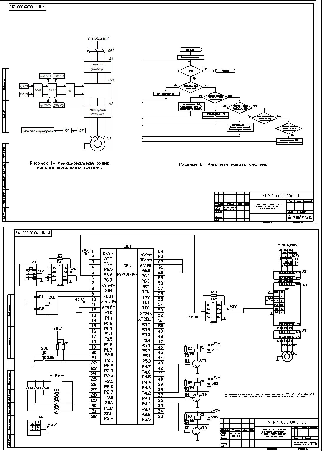
Инструкция управлением крана