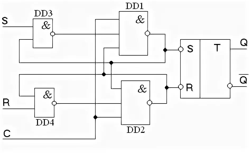
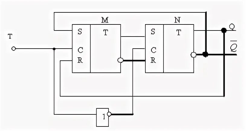
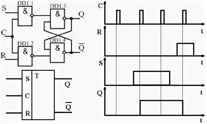
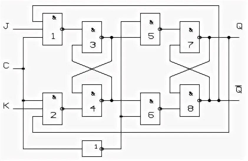
Интегральный триггер