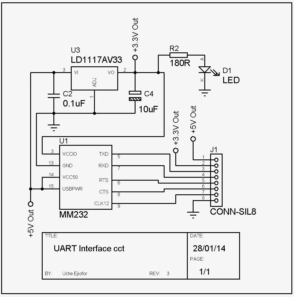
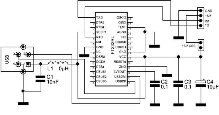
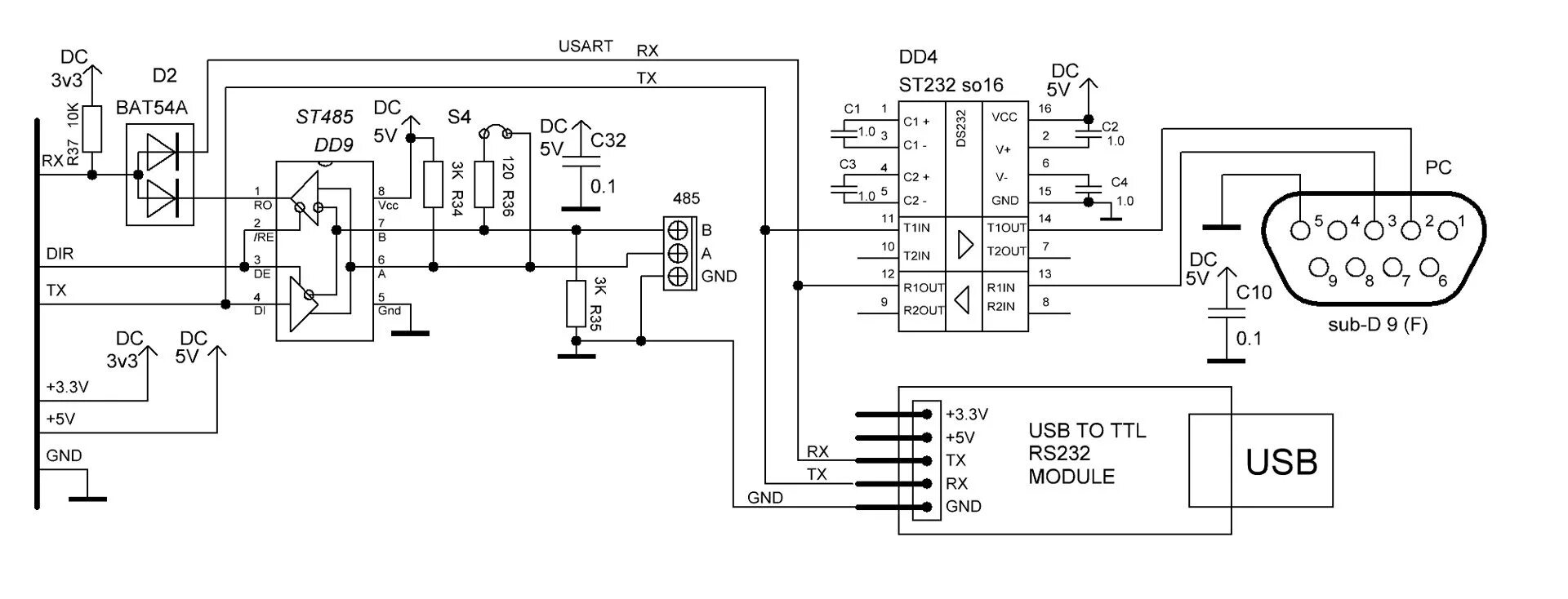
Интерфейсы usb uart