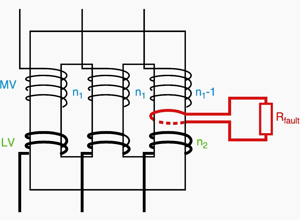
Internal fault