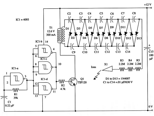
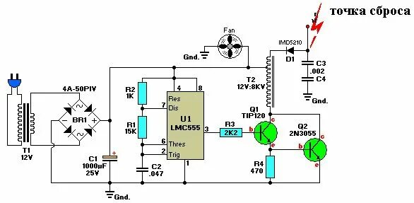
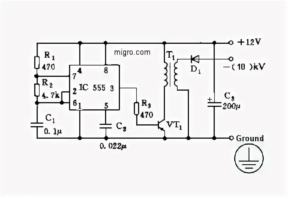
Ion generator