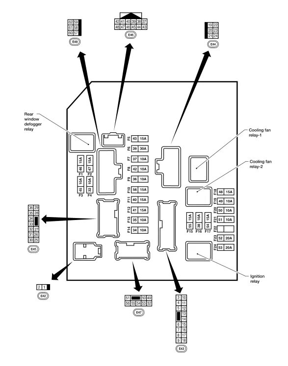
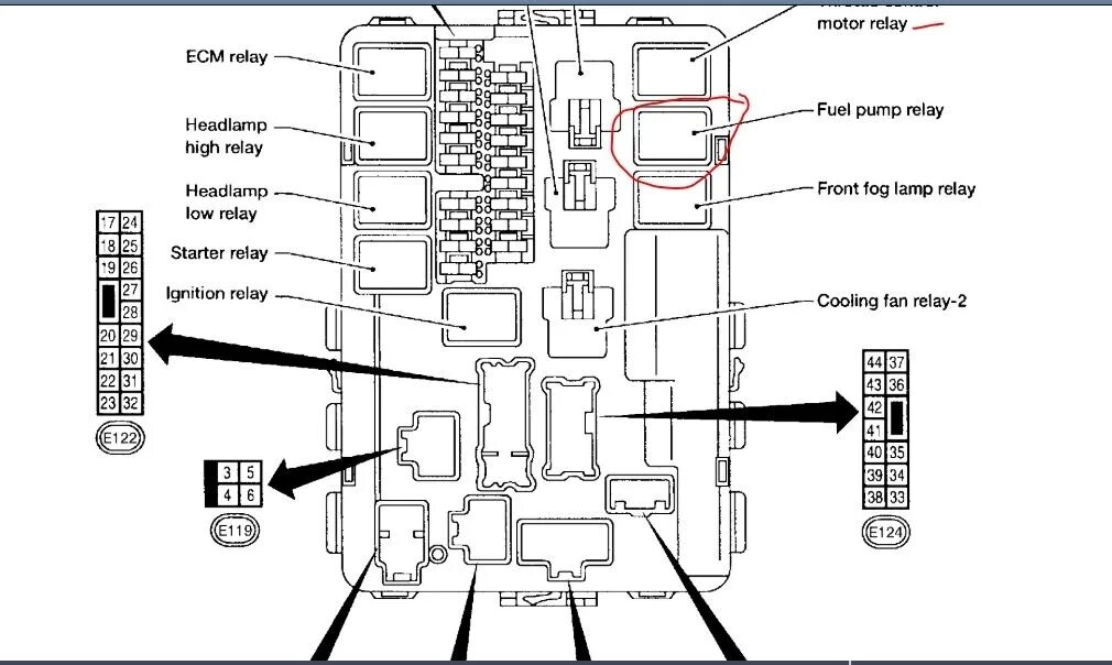
Ipdm e r