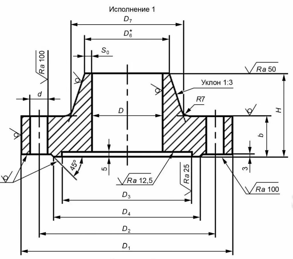
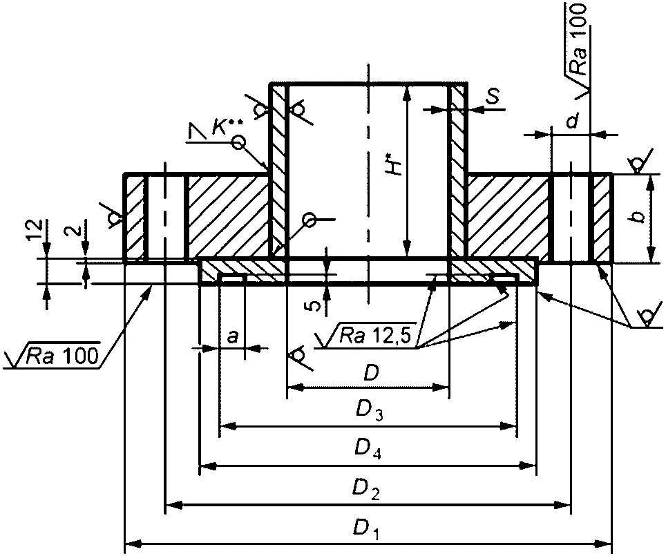
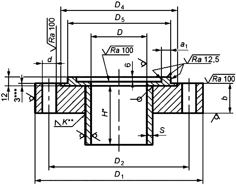
Исполнение уплотнительной поверхности фланцев