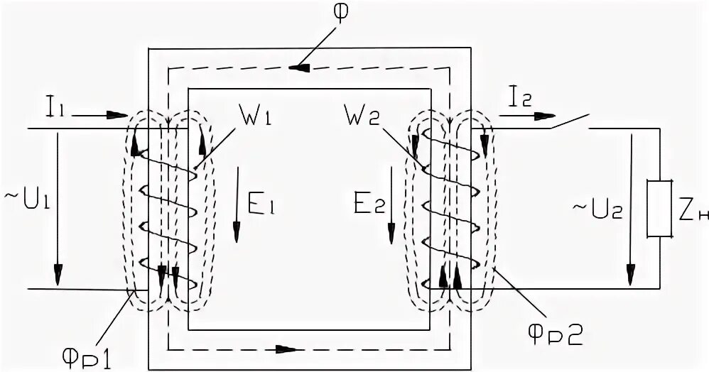
Исследования работы однофазного трансформатора