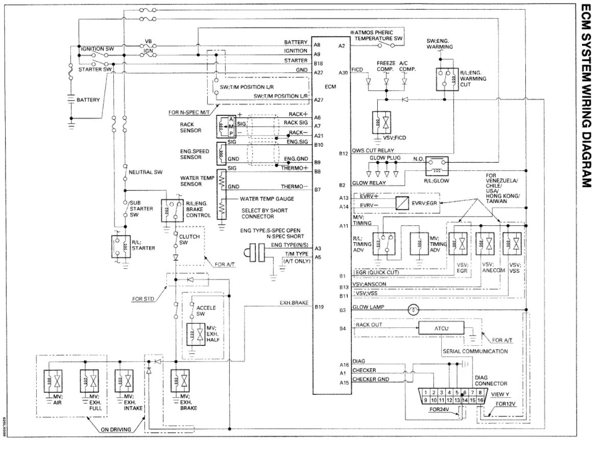
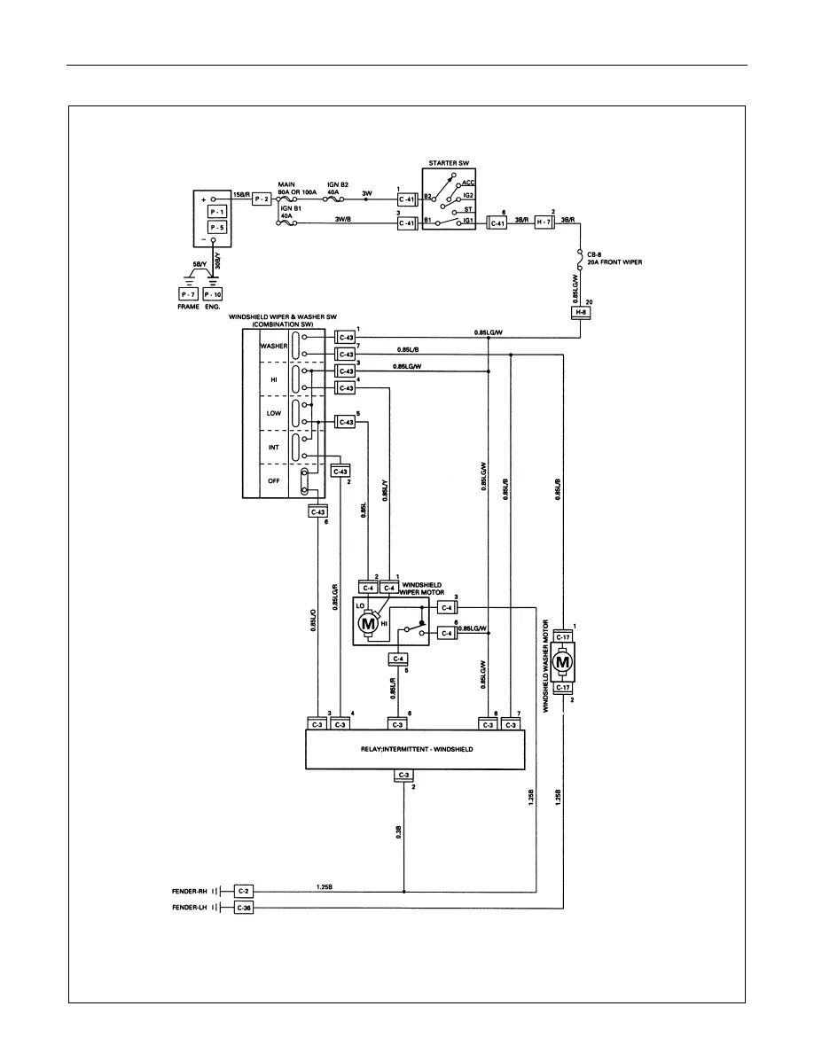
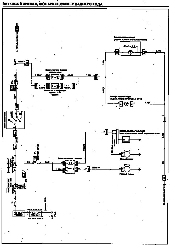
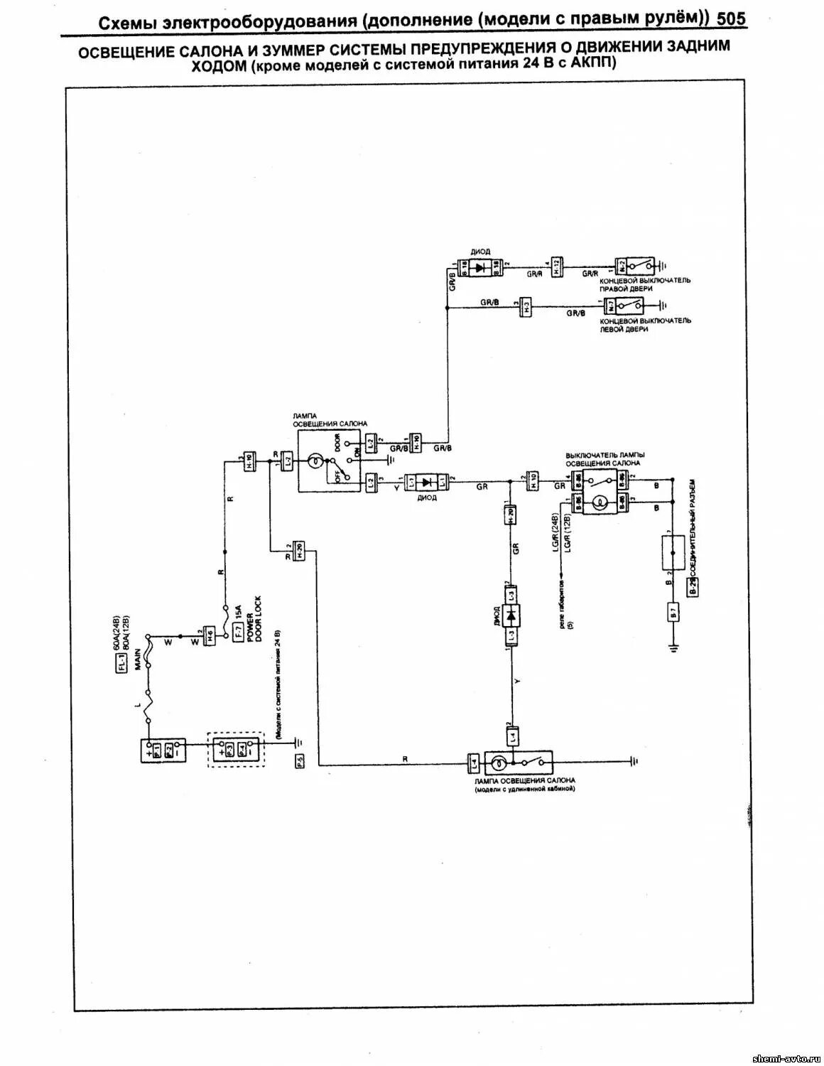
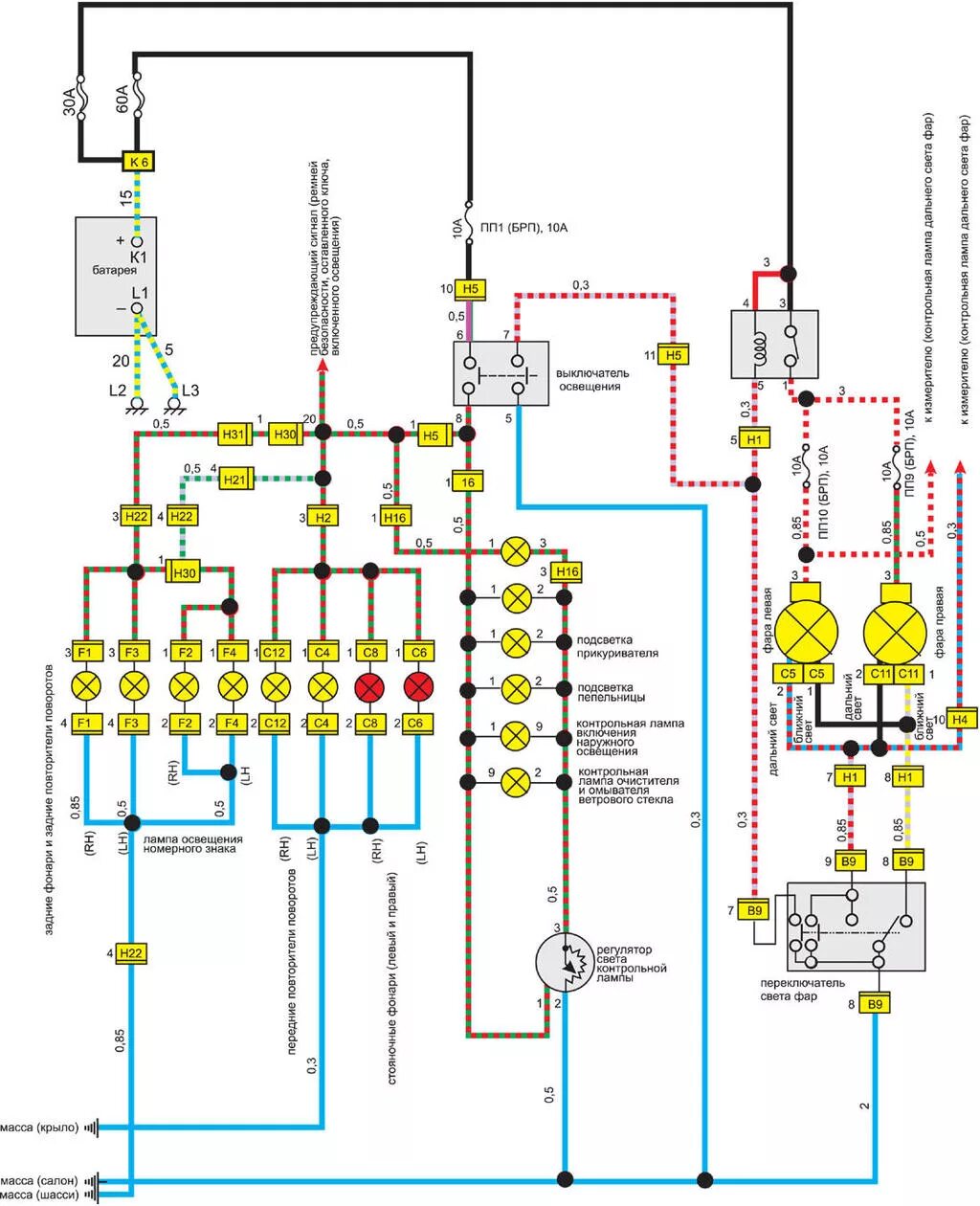
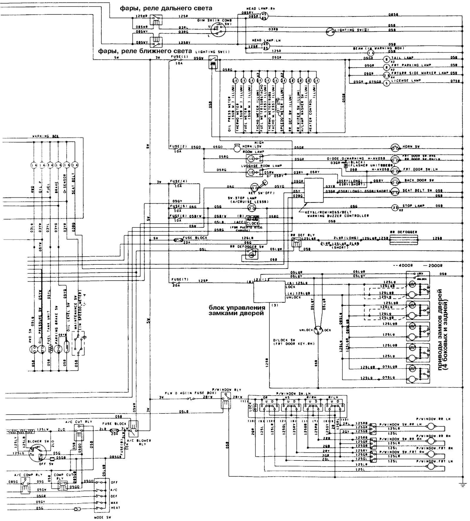
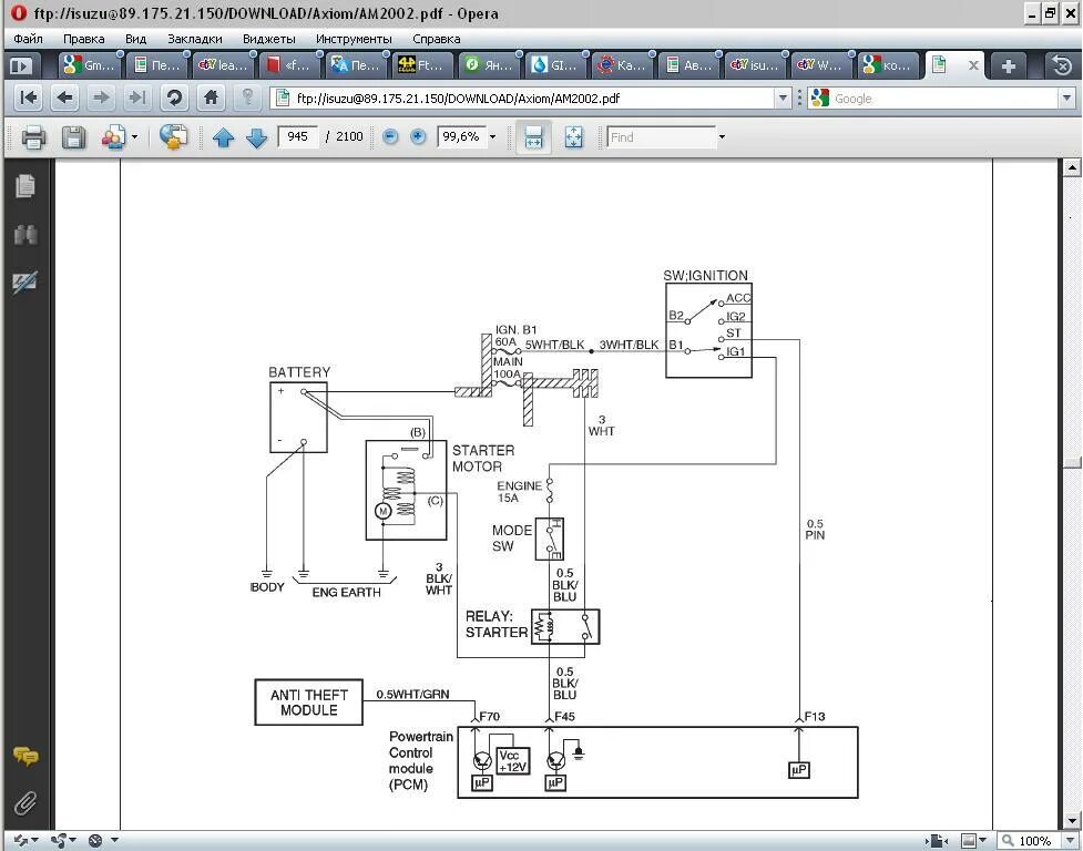
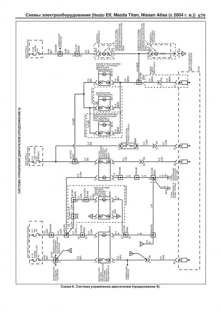
Исудзу эльф схема