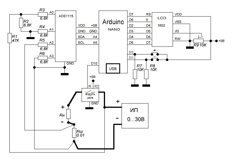
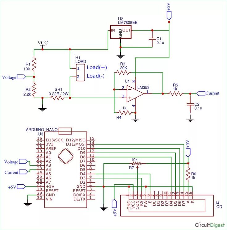
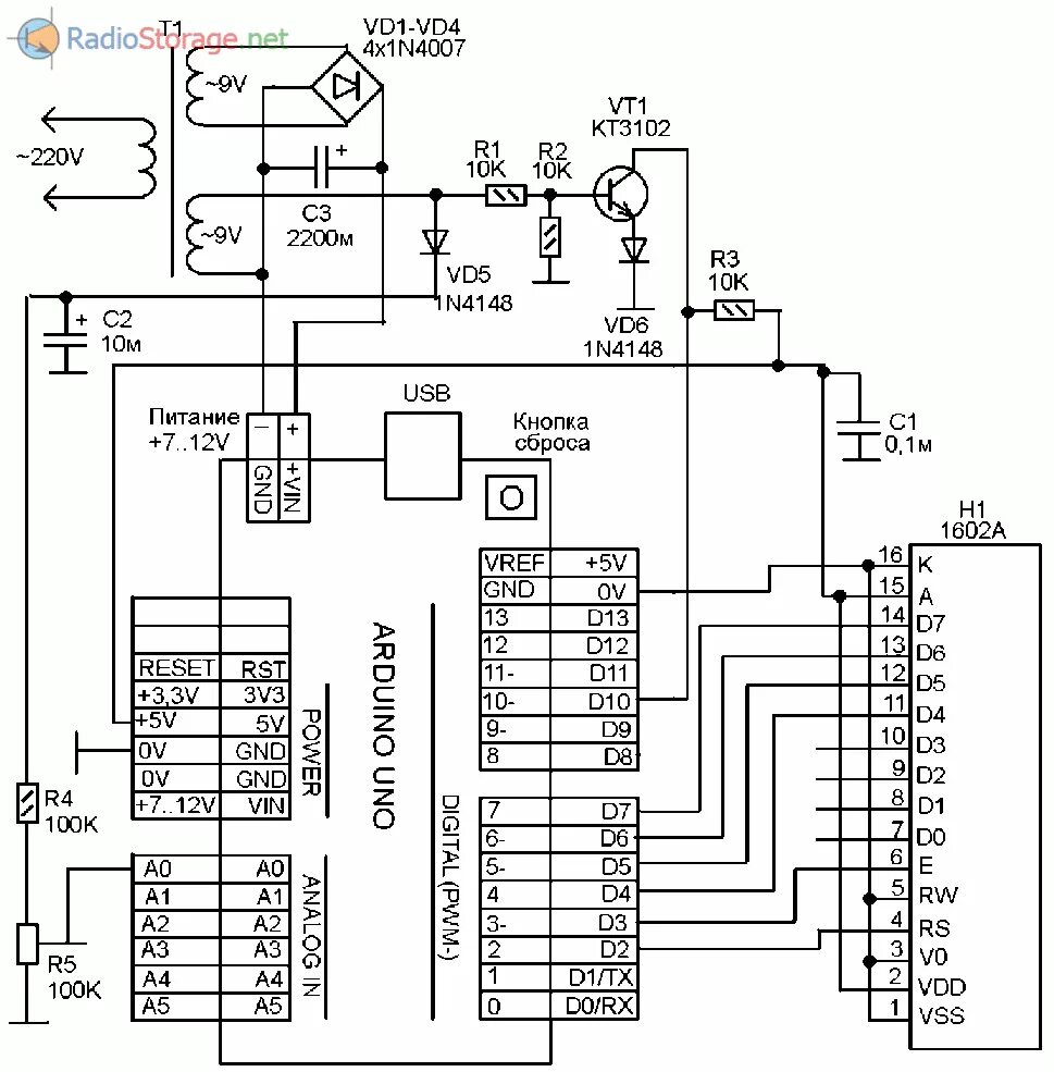
Измерение напряжения ардуино