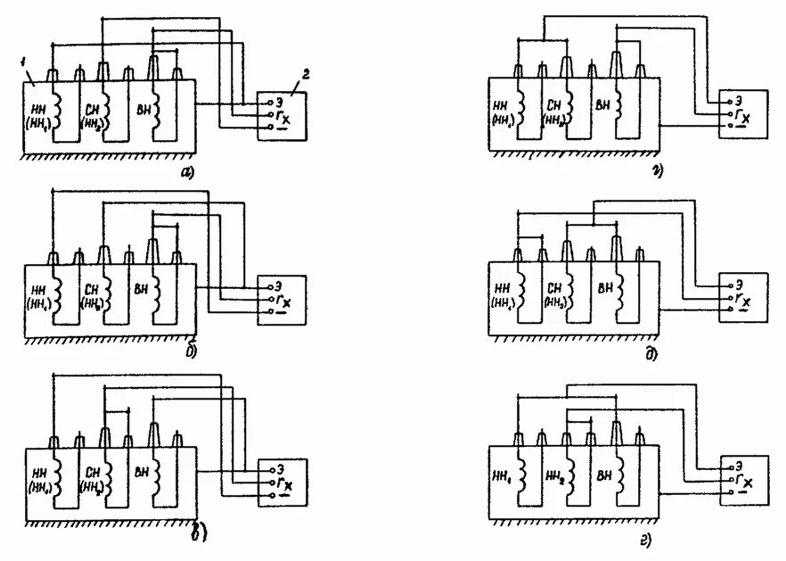
Измерение сопротивления изоляции силового трансформатора