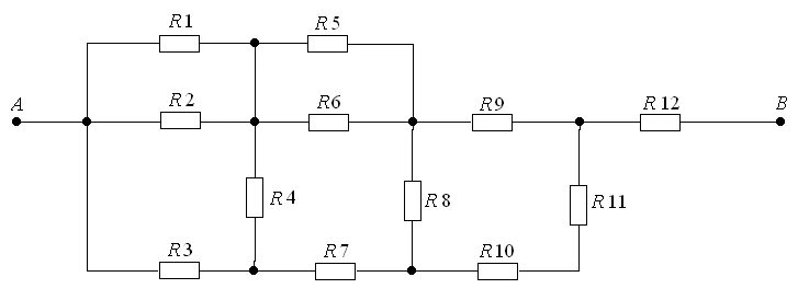
К трем параллельно подключенным резисторам r3