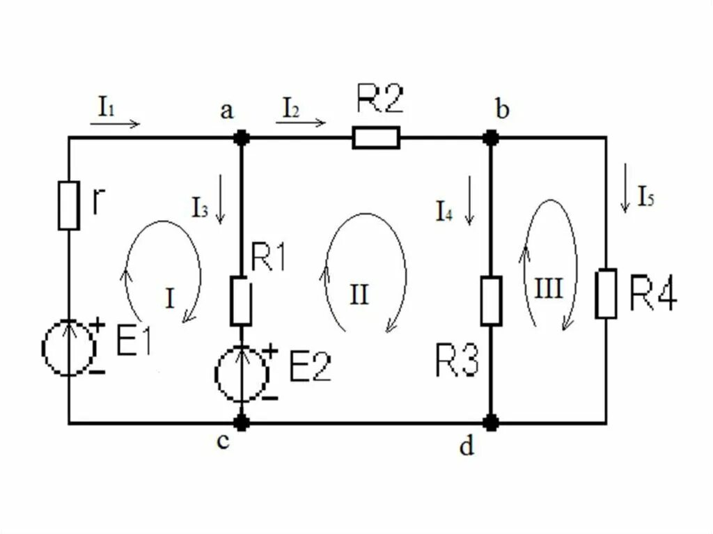
Кафедра тоэ