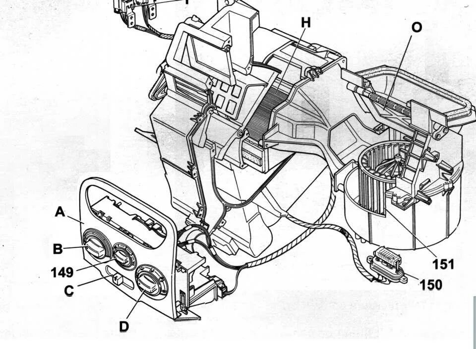
Как адаптировать печку