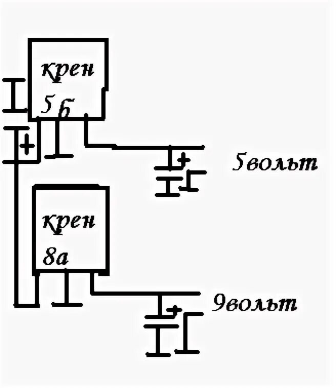
Как из 5 вольт сделать 3