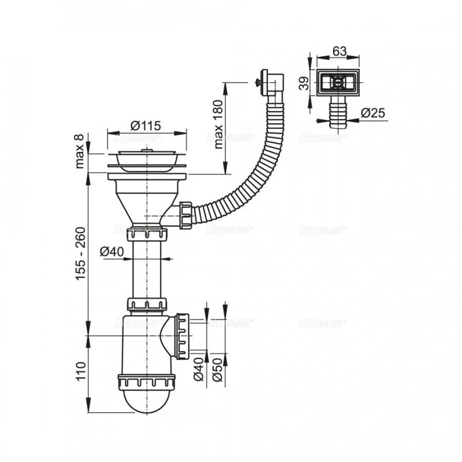
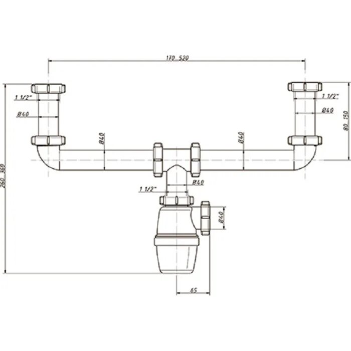
Как крепить сифон