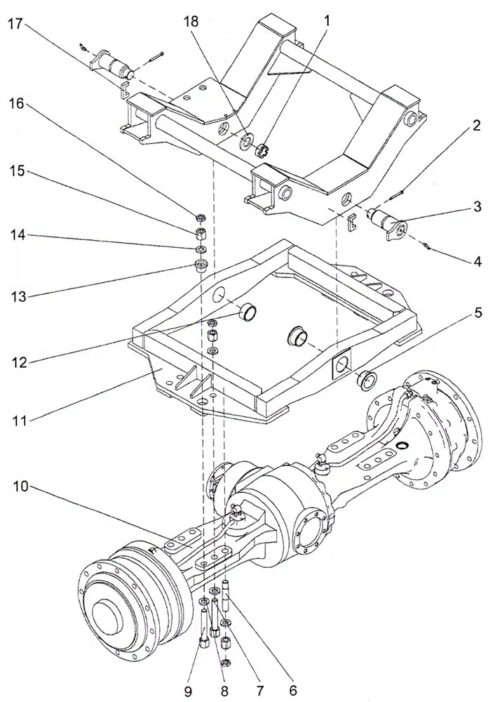
Как крепится задний мост